INDUCTION GENERATOR: MOSFET INVERTER FOR HIGH FREQUENCY OPERATION:
5.0 - 12 KW / 150-450 KHZ
Applications:
Brazing, Heat Treating, Bonding
Specially Designed Unit replaces older style tube units at a fraction of their traditional size and weight.
- Single or 3-Phase Power is Required The incoming AC voltage is rectified, stabilized as DC voltage and then regulated as a function of the amount of power that is required.
- Power Regulation is by Digital Timer & PID (ramp-up, hold & ramp-down) Control.
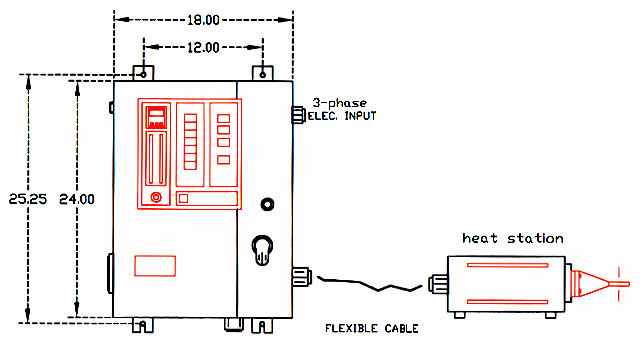
- Digital Timer (std.) or temperature controller are mounted to the front panel.
- Advanced Electronics including digital fiber optic logic, assuring stable and accurate heating.
- Full Operator Controls are featured; including, digital timer, dual digital bar graph, power regulation knob, 7 status lamps, on/off switches and main power disconnect switch.
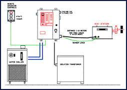
- Standard Heat Station mounts external to this power supply cabinet. This allows the power supply to be located where it is convenient to the operator. The heat station can be placed where the actual heating is to be performed. Distance between the two units can be up to approximately 40 feet (10 meters).
- Enclosure is all-welded steel construction, baked enamel finish and gasketed hinged door.
Dental tools have very small diameter stainless steel "hook" silver brazed onto the end of the stainless steel shaft. |
|
Power Supply and Heat Station |
Full Layout for Factory Floor Production |
 |
 |
MSI Automation | Designed and Manufactured in the USA